产品列表

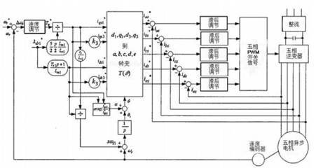
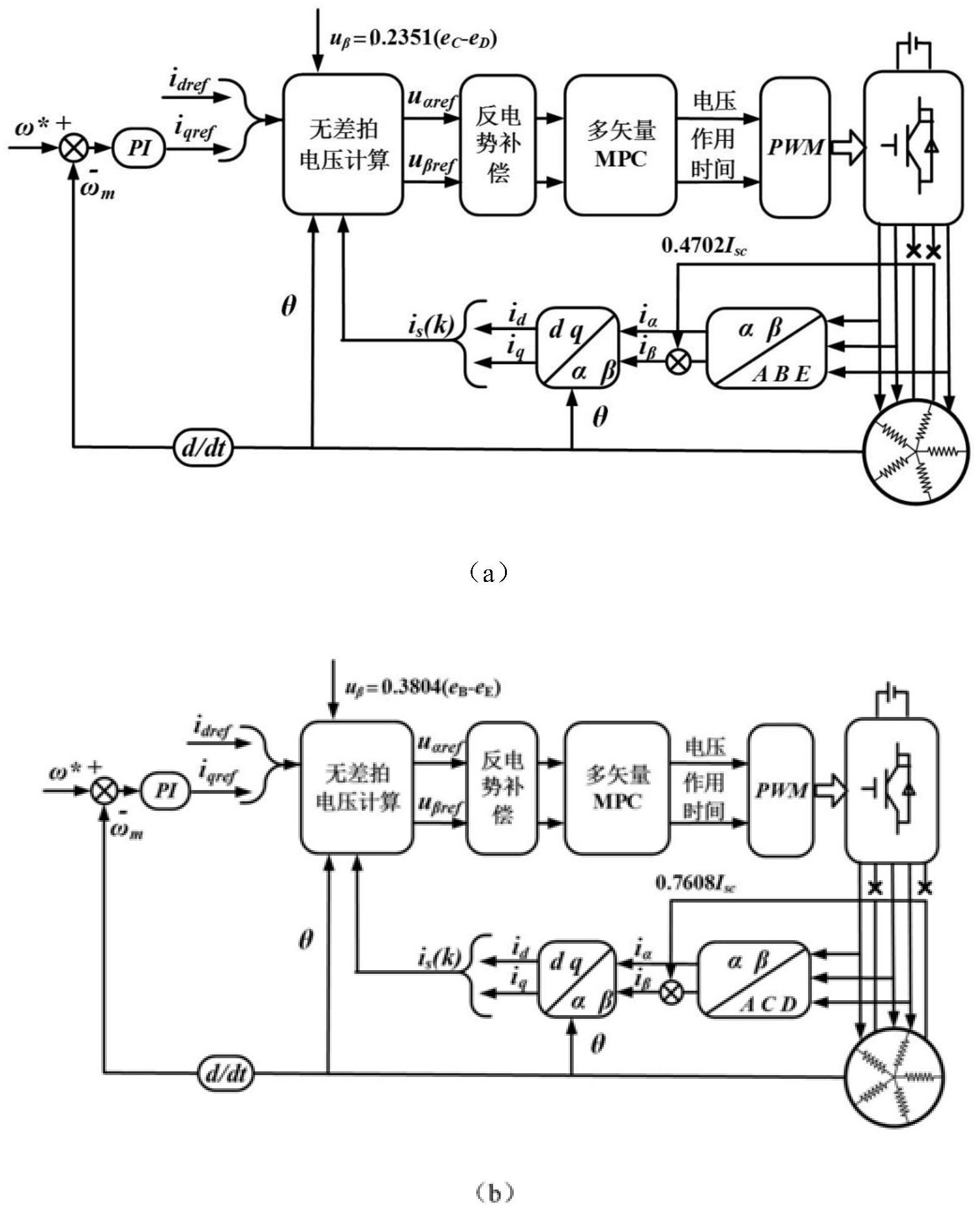
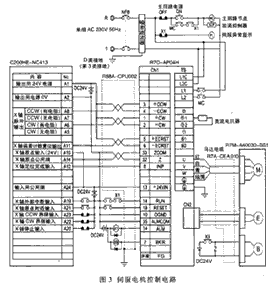
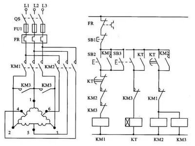
单片机在感应电动机控制系统中的应用

更新时间:2026-05-14 21:21:20

公司简介 COMPANY

经营范围:一般项目:技术服务、技术开发、技术咨询、技术交流、技术转让、技术推广;电机制造;电机及其控制系统研发;微特电机及组件制造;微特电机及组件销售;机床功能部件及附件制造;金属制品研发;金属切削机床制造;金属切削机床销售;轴承、齿轮和传动部件制造;轴承、齿轮和传动部件销售;齿轮及齿轮减、变速箱制造;齿轮及齿轮减、变速箱销售;软件开发;机械设备研发;新材料技术研发;电子元器件与机电组件设备销售;电工仪器仪表销售;配电开关控制设备研发;仪器仪表制造;仪器仪表修理;仪器仪表销售;电子元器件零售;电子元器件批发;电子元器件制造;机械设备销售(除依法须经批准的项目外,凭营业执照依法自主开展经营活动)

公司简介: 苏州伊维莱驱动技术有限公司成立于2024年02月29日,注册地位于江苏省苏州市太仓市双凤镇温州路21号1-1#,法定代表人为龚晓锋。经营范围包括一般项目:技术服务、技术开发、技术咨询、技术交流、技术转让、技术推广;电机制造;电机及其控制系统研发;微特电机及组件制造;微特电机及组件销售;机床功能部件及附件制造;金属制品研发;金属切削机床制造;金属切削机床销售;轴承、齿轮和传动部件制造;轴承、齿轮和传动部件销售;齿轮及齿轮减、变速箱制造;齿轮及齿轮减、变速箱销售;软件开发;机械设备研发;新材料技术研发;电子元器件与机电组件设备销售;电工仪器仪表销售;配电开关控制设备研发;仪器仪表制造;仪器仪表修理;仪器仪表销售;电子元器件零售;电子元器件批发;电子元器件制造;机械设备销售(除依法须经批准的项目外,凭营业执照依法自主开展经营活动)

企业信息 Information

公司名称:苏州伊维莱驱动技术有限公司

法人代表:龚晓锋

注册地址:江苏省苏州市太仓市双凤镇温州路21号1-1#

所属行业:电气机械和器材制造业

更多行业:电气机械和器材制造业,制造业

大联大世平集团推出基于NXP等产品的BLDC电机无感方波驱动方案,助力高效电机控制系统研发

联系我们 Contact

电话:1596202**

邮箱:956355**[email protected]

地址:江苏省苏州市太仓市双凤镇温州路21号1-1#

友情链接: 蒙城县玖隆国际恒祥装饰店 通信与自动控制技术研究 呼撒 五金产品零售 厦门致力于学在线教育科技有限公司 药材 计算机网络开发与服务 软件开发 互联网信息服务 建筑装饰材料销售 网络技术推广 气动执行器 物联网应用服务 餐饮管理 互联网销售 大型活动组织服务 互联网信息服务 互联网销售 户外用品销售 盐城君铭传媒有限公司 杭州顺网科技股份有限公司 甜味涂抹酱 陕西货物进出口 装饰材料 广告设计 电子产品批发 上海利彬利网络科技有限公司 实验小学 钟表销售及维修 上海维埃纳网络科技有限公司 服装制造 上海亨果实业发展有限公司 人工智能基础软件开发 办公设备 台州市舒适美婴童用品有限公司 上海蜜陆哒网络科技有限公司 黑龙江奥云文化传媒有限公司 广东英特讯软件科技有限公司 哈尔滨一尘网络科技有限公司 房地产营销策划 安全系统监控服务 毕节合优商贸有限责任公司 环保科技 压缩气体和液化气体 南昌星鑫网络科技有限公司 浦城县谱盟里网络工作室 山东六品芳疗生物科技有限公司 自费出国留学中介 山西云起时科技有限公司 计算机软件开发 上海技术服务 空调 医疗器械 天气预报 湖北百丈网络科技有限公司 滁州市龙蟠幼儿园 服饰 数字文化创意内容应用服务 郑州朗科精工衡器有限公司 深圳靖竏科技网络有限公司 美容技术研发 文艺创作 财务顾问中心 电大 平面设计 北京奥兴办商贸有限公司 网络与信息安全软件开发 计算机网络技术 上海包装城 上海衲尘丘网络科技有限公司 日照荣惠选信息科技有限责任公司 北京沃格隆建筑工程有限公司 北京哗探软件技术中心 文化艺术交流策划 北京敏鹏科技有限公司 昆明八扇门网络科技有限公司 昆明臧培科技有限公司 人工智能应用软件开发 教育文化培训 绵阳市涪城区杰伦百货经营部 冰淇淋加盟 展览服务 计算机网络技术研发及咨询 盐城经济技术开发区苏荷农产品门市 鞋帽零售 漆业 上海翰降网络科技工作室 上海飓茂鑫科技有限公司 旅游开发项目策划咨询 北京赟鑫网络科技公司 护理机构服务 河北鑫凯顺环保设备有限公司 互联网销售 钢板 互联网技术服务 服装零售 哈尔滨思远扶摇网络科技有限公司 技术服务 技术开发 企业形象策划
Top